これはおもちゃドクターとしての活動記録ではありません。
自宅で長年使っていた扇風機の調子が悪くなりました。スイッチに触ってもいないのに急に風量が変わったり電源が切れたり・・真夏のホラーのようです。もう10年以上使って耐用年数なので廃棄するしかありませんが、壊れた原因には関心があります。
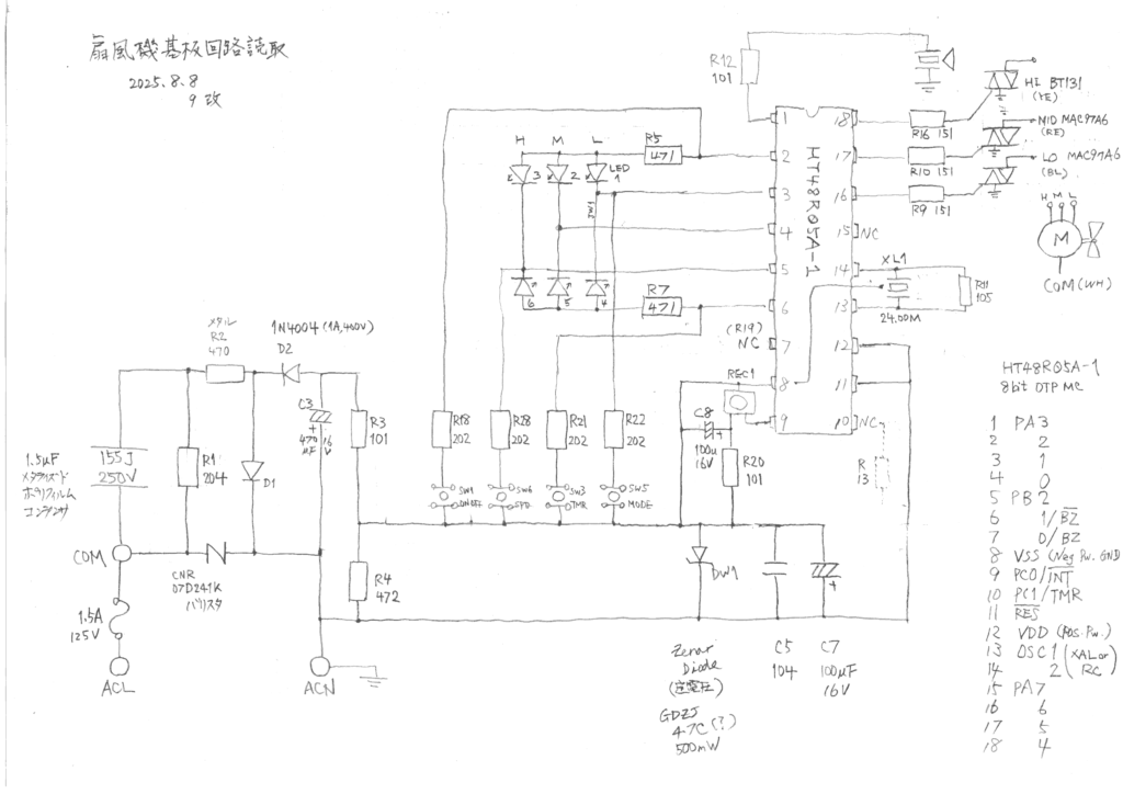
そこで回路基板を覗いてみました。

基板に2007年の日付が入っているので、もう18年経過していることになります^^;
使われているMCU(HT48R05A-1, 8bit OTP)も廃番になっていました。
タクトスイッチが4つ付いていて本来ならば押した状態で導通するはずですが、微妙な抵抗があり(つまり押さなくても導通している)ました。そこで接点復活剤を付けて何度も押してみたところ、調子が良くなりました。おそらくショートしかけていたのでしょう。
他に焼け焦げたところや基板の部品の浮きやクラックは見られませんでした。

ところが数日経過したらまた同じような状態になってしまい、そのうち電源が入らなくなってしまいました。これはおそらくコンデンサの抜けではないかと考えられます。コンデンサは頭が膨らんで破裂したり液漏れして基板を汚していることがたまにあります。今回はそのような状態は見られませんでした。
コンデンサはテスターで抵抗を測定すると最初は直流を流し低い抵抗から段々と高くなっていきます。155Jと書いてある一番大きなコンデンサがまったく絶縁状態でしたので、おそらくこれが壊れたのでしょう。しかしここは商用電源回路ですので下手に触っても事故の元です。修理は諦めました。
勉強のために回路図を起こしてみました。
交流回路は初めてなので少し分かりにくいところもありましたが、ツェナーダイオードでDC電圧を得ていること、ダイオードのマトリクス回路、交流からの整流回路、ヒューズとバリスタによる保安、などなど学べました。ポリスイッチではなくガラス管ヒューズを使っているところに時代を感じさせます。
またトライアックという交流用の増幅器が3つも使われている理由がよくわかりませんでした。HIGH, MID, LOWという字が基板のシルクにあったのでモータの回転によって回路を変えているのかもしれませんが、トライアックはそもそも出力を自在に変えることができるデバイスのはずです。
もしかするとICからの制御ができないのでチャネルで分けてスピード変換しているかもしれませんね。
なお添付した回路図は小生が勝手に書き起こしたもので正しいものであるとの保証は一切ありません。老眼で視力が落ちているためパーツの値が読めないのが悩みの種です。



コメント